6. La válvula de simultaneidad o válvula and¶
La válvula de simultaneidad o válvula and permite el paso de aire a presión cuando ambas vías de entrada, derecha e izquierda, reciben aire a presión.
El funcionamiento resumido puede explicarse diciendo que la válvula deja pasar el aire a presión cuando le llega aire a presión por la vía izquierda y también le llega aire a presión por la vía derecha, de ahí su nombre.
El símbolo en reposo de la válvula de simultaneidad es el siguiente:

Válvula de simultaneidad o válvula and.¶
Cuando se inyecta aire a presión por la vía derecha, la pieza central se moverá hacia la izquierda, impidiendo el paso de aire.

Válvula de simultaneidad con presión en la vía derecha.¶
Cuando se inyecta aire a presión por la vía izquierda, la pieza central se moverá hacia la derecha, impidiendo también el paso de aire.

Válvula de simultaneidad con presión en la vía izquierda.¶
Cuando se inyecta aire a presión por las vías derecha e izquierda, la pieza central no puede cerrar las dos vías a la vez, por lo que permite el paso de aire a presión, que saldrá por la vía superior.

Válvula de simultaneidad con presión en las vías derecha e izquierda.¶
El funcionamiento de la válvula de simultaneidad puede resumirse en la siguiente tabla de verdad o tabla lógica:
Vía izquierda | Vía derecha | Vía superior |
---|---|---|
Sin presión (0) | Sin presión (0) | Sin presión (0) |
Con presión (1) | Sin presión (0) | Sin presión (0) |
Sin presión (0) | Con presión (1) | Sin presión (0) |
Con presión (1) | Con presión (1) | Con presión (1) |
Cilindro de simple efecto y válvula de simultaneidad¶
En este circuito un cilindro de simple efecto es accionado por dos válvulas 3/2 solo cuando ambas están accionadas.
En la siguiente figura se puede ver el circuito en reposo.

Cilindro de simple efecto con válvula de simultaneidad sin presión.¶
Cuando accionamos la válvula izquierda, el aire a presión llega a la válvula de simultaneidad, pero esta no deja pasar la presión por la vía superior.

Cilindro de simple efecto con válvula de simultaneidad con presión a la izquierda.¶
Cuando accionamos también la válvula derecha, el aire a presión llega a la válvula de simultaneidad por ambos lados y no puede frenar ambos flujos de aire, por lo que deja pasar aire a presión por la vía superior. El vástago del cilindro de simple efecto saldrá hacia fuera.

Cilindro de simple efecto con válvula de simultaneidad con presión en ambas entradas.¶
Unión de válvulas¶
En un circuito neumático podemos unir varias válvulas selectoras y de simultaneidad para conseguir comportamientos complejos.
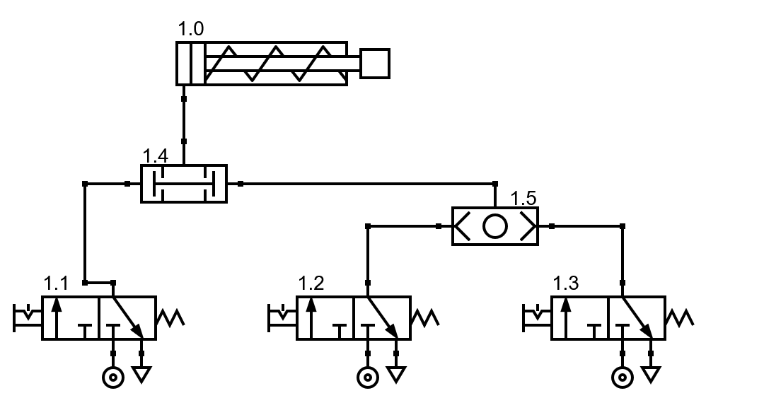
En el siguiente circuito podemos ver dos válvulas distintas (una de simultaneidad y otra selectora) que combinan el aire a presión de tres válvulas 3/2 hacia un cilindro de simple efecto.

Válvulas de simultaneidad y selectora en cascada.¶
En el circuito anterior el vástago del cilindro saldrá hacia fuera cuando se presione la válvula de la derecha y, a la vez, una de las dos válvulas de la izquierda.
En el siguiente circuito podemos ver otra combinación distinta de válvulas de simultaneidad y selectora hacia un cilindro de simple efecto.

Válvulas de simultaneidad y selectora en cascada II.¶
En el circuito anterior el vástago del cilindro saldrá hacia fuera siempre que accionemos la válvula derecha o bien cuando accionemos ambas válvulas de la izquierda.
Ejercicios¶
Dibuja el símbolo en reposo de una válvula de simultaneidad neumática.
Dibuja el funcionamiento de una válvula de simultaneidad neumática cuando recibe aire a presión por la vía derecha.
Dibuja el funcionamiento de una válvula de simultaneidad neumática cuando recibe aire a presión por la vía izquierda.
Explica el funcionamiento de la válvula de simultaneidad neumática y dibuja su tabla de verdad.
Simula el funcionamiento de un cilindro de simple efecto con un vástago que debe salir al accionar a la vez las dos válvulas 3/2 de maniobra.
Dibuja el circuito anterior en papel y explica su funcionamiento.
¿Para qué sirve la unión de válvulas de simultaneidad y válvulas selectoras en cascada?
Simula un circuito que tenga tres válvulas 3/2 que accionen un cilindro de simple efecto.
El vástago del cilindro debe salir fuera cuando se accionen cualquiera de las dos válvulas de la izquierda y a la vez se accione la válvula de la derecha.
Dibuja el circuito anterior en papel y explica su funcionamiento.
Dibuja la tabla de verdad con el funcionamiento del circuito anterior completando la siguiente tabla.
Válvula izquierda 1 Válvula izquierda 2 Válvula derecha Vástago No accionada No accionada No accionada Dentro Accionada No accionada No accionada No accionada Accionada No accionada Accionada Accionada No accionada No accionada No accionada Accionada Accionada No accionada Accionada No accionada Accionada Accionada Accionada Accionada Accionada