4. Double acting cylinder¶
A double-acting cylinder is a cylinder that has two air inlet and outlet paths. The stem can come out forcefully when air is injected into the rear and can enter forcefully when air is injected into the front.
The output force of the stem is always a little greater than the input force because the compressed air cannot put pressure on the area occupied by the stem. If we inject pressurized air into the two ways of the cylinder, it will come out with little force.
In the event that the double-acting cylinder has no air pressure in either of its two ways, it will have no force in either direction and will be free to move effortlessly, both inside and outside.
Double-acting cylinders are controlled by a 4/2 valve or by a 5/2 valve. Both valves are similar and only differ in the number of exhausts they have (one exhaust for the 4/2 valve and two exhausts for the 5/2 valve).
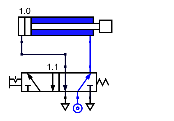
Below is the diagram at rest of the double-acting cylinder:

When we activate the 5/2 valve, the air coming from the maintenance unit passes to the upper left valve passage and enters the rear part of the cylinder. As a result, the cylinder fills with air at the rear while air at the front escapes to the atmosphere. The result is that the cylinder rod comes outwards, pushing the load in front of it.

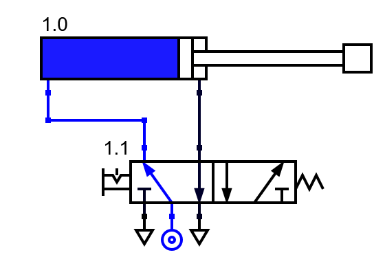
Once the stem has come out to the stop, we find the following diagram:

Exercises¶
Explain the main characteristics of a double-acting cylinder.
Draw a diagram of a double-acting cylinder at rest, with the rod inside, controlled by a 5/2 valve.
Draw a diagram of an actuated double-acting cylinder, with the rod out, controlled by a 5/2 valve.
Simulates the operation of a double-acting cylinder controlled by a 5/2 valve.
What will happen if we remove the exhausts from the 5/2 valve? Simulates operation. Explain how the operation changes when removing the exhaust and explain why it behaves that way.
It uses two 3/2 valves to operate a double-acting cylinder in the simulator. <../_static/flash/simulador-neumatica.html>`__
Explain how the circuit works:
What can happen in the previous circuit if we activate both valves at the same time?
What can happen in the previous circuit if we do not activate any 3/2 valve?