8. Pneumatic pilot valve¶
Pneumatic piloting consists of moving a valve into position thanks to the force of pressurized air.
Below you can see the symbol of a pneumatically piloted valve:

Symbol of the 5/2 valve with double pneumatic pilot.¶
Pneumatic piloting has two great advantages:
Allows large valves to be easily moved.
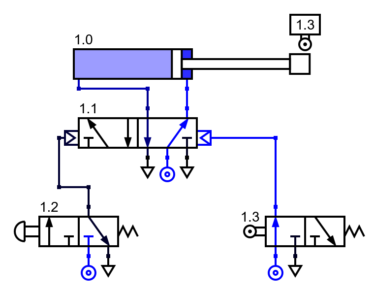
A 5/2 valve for a large cylinder must also be large and therefore difficult to move manually. Thanks to pneumatic piloting, a small, easy-to-use valve can move large valves with little effort.
Large and heavy 5/2 valve with double pneumatic pilot operated by small 3/2 manual valves.¶
Allows you to automate movements.
Thanks to pneumatic piloting, the pneumatic installation itself can activate the cylinder valve to produce automatic movements. For example, a pneumatic limit valve can cause a cylinder rod to re-enter once it has detected that it has fully exited.
5/2 valve with automatic pneumatic pilot.¶
Exercises¶
Draw the symbol of a 5/2 valve with double pneumatic pilot.
What are the advantages of pneumatic valve piloting?
Draw the diagram of a double-acting cylinder, actuated by a 5/2 double pneumatic pilot valve, which in turn is piloted by two 3/2 manual valves.
Simulates the operation of the previous circuit.
Explain the operation of the above circuit and its advantages.
Draw the diagram of a double-acting cylinder, activated by a 5/2 valve with double pneumatic pilot, which in turn is piloted by a 3/2 manual valve so that the cylinder exits and by a roller valve (end of stroke) for the cylinder to enter.
Simulates the operation of the previous circuit.
Note
Remember to use the right arrow and left arrow keys on your keyboard to rotate the valve and exhaust symbols in the simulator.
Explain the operation of the above circuit and its advantages.